Product Summary
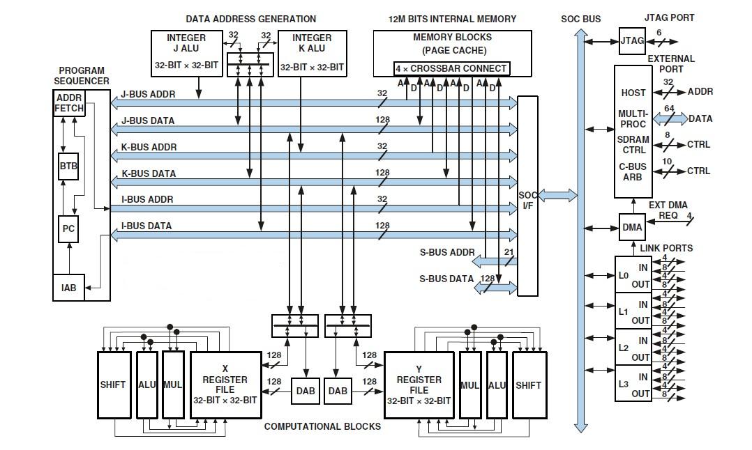
The ADSP-TS201SABP-060 is a TigerSHARC embedded processor. The ADSP-TS201SABP-060 TigerSHARC processor is an ultrahigh performance, static superscalar processor optimized for large signal processing tasks and communications infrastructure. The ADSP-TS201SABP-060 combines very wide memory widths with dual computation blocks—supporting floating-point (IEEE 32-bit and extended precision 40-bit) and fixed-point processing to set a new standard of performance for digital signal processors. The TigerSHARC static superscalar architecture of the ADSP-TS201SABP-060 lets the DSP execute up to four instructions each cycle, performing 24 fixed-point (16-bit) operations or six floating-point operations.
Parametrics
ADSP-TS201SABP-060 absolute maximum ratings: (1)Internal (Core) Supply Voltage (VDD): –0.3 V to +1.4 V; (2)Analog (PLL) Supply Voltage (VDD_A): –0.3 V to +1.4 V; (3)External (I/O) Supply Voltage (VDD_IO): –0.3 V to +3.5 V; (4)External (DRAM) Supply Voltage (VDD_DRAM): –0.3 V to +2.1 V; (5)Input Voltage: –0.63 V to +3.93 V; (6)Output Voltage Swing: –0.5 V to VDD_IO+0.5 V; (7)Storage Temperature Range: –65℃ to +150℃.
Features
ADSP-TS201SABP-060 features: (1)500 MHz, 2.0 ns instruction cycle rate; (2)12M bits of internal on-chip DRAM memory; (3)25mm× 25 mm (576-ball) thermally enhanced ball grid array package; (4)Dual-computation blocks each containing an ALU, a multiplier, a shifter, and a register file; (5)Dual-integer ALUs, providing data addressing and pointer manipulation; (6)Single-precision IEEE 32-bit and extended-precision 40-bit floating-point data formats and 8, 16, 32 and 64-bit fixed-point data formats.
Diagrams

| Image | Part No | Mfg | Description | ![]() |
Pricing (USD) |
Quantity | ||||||||||||||
|---|---|---|---|---|---|---|---|---|---|---|---|---|---|---|---|---|---|---|---|---|
![]() |
![]() ADSP-TS201SABP-060 |
![]() |
![]() IC PROCESSOR 600MHZ 576BGA |
![]() Data Sheet |
![]()
|
|
||||||||||||||
| Image | Part No | Mfg | Description | ![]() |
Pricing (USD) |
Quantity | ||||||||||||||
![]() |
![]() ADSP-2100 |
![]() Other |
![]() |
![]() Data Sheet |
![]() Negotiable |
|
||||||||||||||
![]() |
![]() ADSP-2101BG-100 |
![]() |
![]() IC DSP CONTROLLER 16BIT 68PGA |
![]() Data Sheet |
![]()
|
|
||||||||||||||
![]() |
![]() ADSP-2101BGZ-100 |
![]() Analog Devices Inc |
![]() IC DSP 16BIT CTRL 25MHZ 68-PGA |
![]() Data Sheet |
![]() Negotiable |
|
||||||||||||||
![]() |
![]() ADSP-2101BP-100 |
![]() |
![]() IC DSP CONTROLLER 16BIT 68PLCC |
![]() Data Sheet |
![]()
|
|
||||||||||||||
![]() |
![]() ADSP-2101BPZ-100 |
![]() |
![]() IC DSP SLG 16BIT 25MHZ 68-PLCC |
![]() Data Sheet |
![]()
|
|
||||||||||||||
![]() |
![]() ADSP-2101BS-100 |
![]() Analog Devices Inc |
![]() IC DSP CONTROLLER 16BIT 80PQFP |
![]() Data Sheet |
![]() Negotiable |
|
||||||||||||||
(China (Mainland))












